La norme dans les Macintosh est d’avoir un lecteur de disquettes, généralement interne (en dehors de quelques Mac portables). Mais dans beaucoup de modèle, il était possible d’en avoir deux… et même trois.
Avoir deux lecteurs, c’était pratique : il était possible de démarrer sur un lecteur (pour les Macintosh sans disque dur) et de mettre les programmes sur une seconde disquette, sans devoir changer de disquettes. Pour les amateurs de copie, c’était aussi pratique, pour les mêmes raisons.

Un Macintosh LC avec deux lecteurs. Image Reddit.
Dans beaucoup de cas, les Macintosh intègrent un lecteur interne et la possibilité de brancher un lecteur externe, en DB-19. J’avais modifié il y a longtemps un UniDisk d’Apple II pour ça, d’ailleurs. La prise externe n’est pas généralisée, ceci dit : elle est surtout présente sur les modèles des années 80.

À gauche du lecteur de disquettes, on voit qu’il y a un second emplacement. Image Wikipedia.

Même chose sur ce Macintosh LC. Image Wikipedia.
Il y a pourtant quelques Mac avec la possibilité d’installer deux lecteurs internes, d’abord. Le premier Macintosh LC est dans le cas : il a deux connecteurs internes. Il y a une pièce amovible sur la coque pour accéder au second lecteur interne s’il est installé, mais c’était visiblement assez rare. La page du Macintosh LC II de Low End Mac indique que les ventes de modèles avec deux lecteurs étaient faible (moins de 5 %) et c’était probablement essentiellement des écoles. C’est assez logique : avec deux lecteurs de disquettes, il était impossible de mettre un disque dur interne. C’était donc essentiellement un choix pour ceux qui voulaient un Mac à bas prix. Mais dans les années nonante, un disque dur devenait quand même la norme et c’était nettement plus agréable.

Un Macintosh II avec deux lecteurs. Source.

Un Macintosh SE avec deux lecteurs. Source.
Le second Macintosh capable d’accepter deux lecteurs internes et le Macintosh SE. Comme le Macintosh LC, on avait essentiellement le choix entre deux lecteurs de disquettes ou un lecteur de disquettes et un disque dur interne. Enfin, dans les machines de bureau, il y a quelques Macintosh II. Le Macintosh II original, le IIx et le IIfx ont un emplacement pour un second lecteur interne, avec aussi une pièce à enlever pour accéder au lecteur.
Enfin, il y a un Macintosh portable qui accepte deux lecteurs, le Macintosh Portable. Pour lui, c’est un peu compliqué : techniquement, il y a deux emplacements, mais je n’ai pas trouvé d’images d’un modèle avec deux lecteurs de disquettes plutôt qu’un lecteur de disquettes et un disque dur. Le Service Source indique bien que c’est possible, ceci dit. Un site japonais montre les étapes. La personne a fait un rendu de la pièce nécessaire pour la coque car elle n’avait pas la pièce d’origine (ce n’est pas la vraie, donc, si tant est qu’elle existe).
Et les Mac avec trois lecteurs ?
J’arrive au sujet : les Macintosh avec trois lecteurs. Sur le papier, il y en a deux : le Macintosh SE et le Macintosh Portable. Mais vu le paragraphe précédent, il n’y a probablement que le Macintosh SE en pratique. Pourquoi uniquement ce modèle ? Parce que les Macintosh II et le Macintosh LC n’ont pas de connecteur pour un lecteur externe, contrairement au Macintosh SE.
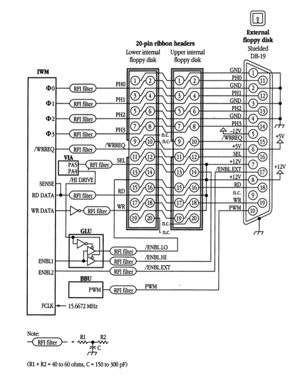
Et cette possibilité rare nécessite visiblement une puce dédiée sur la carte mère, comme le montre la capture des schémas du Macintosh SE. Il y a une discussion sur les forums de 68KMLA, mais en gros le contrôleur SWIM des Mac ne gère directement que deux lecteurs, et un composant avec un peu de logique (GLU) est présent sur les cartes mères des Macintosh SE et Macintosh Portable pour prendre en charge le troisième lecteur.
Dans la pratique, c’est tout de même un cas très particulier, et je n’ai pas trouvé d’exemples d’utilisation de trois lecteurs de lecteurs avec un Macintosh SE. C’est techniquement possible, mais ça a tout de même assez peu d’intérêt en pratique. Surtout qu’un Macintosh SE avec deux lecteurs internes n’a pas de disque dur (ou alors un disque dur externe en SCSI), ce qui est quand même une limitation importante.
Dernier truc, au passage, ce post a un rapport avec les captures d’écran (et le raccourci command + shift + 3). En effet, sur les premiers Macintosh, les raccourcis command + shift + 1 et command + shift + 2 permettaient d’éjecter les disquettes du premier et du second lecteur (ça ne fonctionne pas sur les Mac modernes). Mais il y avait un troisième raccourci, command + shift + 0, pour le cas particulier du Macintosh SE et son troisième lecteur.





Mon premier Mac était justement un SE avec deux lecteurs de disquette. Car je ne voyais pas l’intéret d’un disque dur. J’ai vite changé d’avis quand j’ai vu que le système avait fortement grossi au point de prendre une disquette…
Et je l’ai encore et il marche toujours
Apple vendait aussi un lecteur de disquettes externe PC 360k 5,25″ (sur carte Nubus) pour les Mac II (avec carte nubus) et SE (carte PDS) le A9M0110.
Donc techniquement on peut avoir 4 lecteurs disquettes Apple sur un SE FDHD…
(et 6 si on rajoute un Daynadrive SCSI ! chiche je teste ça et je les mets en RAID 0)
Le Macintosh SE Two 800K Drives est mon tout premier Mac acheté en 1987. Il fonctionne toujours, je viens de faire un test avec un lecteur externe 800K, j’ai booté sur l’externe et copié des fichiers sur les 2 autres, comme indiqué un seul lecteur fonctionne à un instant t car c’est le cpu qui gère le timing des lectures/écritures à ce moment-là le déplacement de la souris est saccadé, c’est très visible lors du formatage d’une disquette… À l’époque, j’ai vite ajouté un disque dur externe car 800kB c’était bien peu pour développer. Il existe une version de Mac SE FDHD (haute densité 1440kB) avec disque dur interne.
Je n’ai jamais eu plus de deux lecteurs de D7 depuis le Mac Plus sur Mac.
Par contre mon Amiga 500 peut gérer 4 lecteurs de D7, et surtout SANS interruption système (un vrai multitâche). Même si je ne les avais pas il était possible de dupliquer une disquette avec deux lecteurs, en formater une dans le 3ème et lancer un logiciel/jeu sur le 4ème sans perdre la main contrairement au système 3 à 8 ou Windows ;)